iLEC RT6-S10-U : Cách hoạt động - Ưu điểm và Ứng dụng

√ Rơ le hẹn giờ trễ đa dải iLEC RT6-D10-U
Trong các hệ thống tự động hóa công nghiệp, việc thiết bị khởi động không đúng thời điểm có thể gây ra những hậu quả nghiêm trọng (sụt áp, quá tải hệ thống cho đến hư hỏng máy móc). Để khắc phục vấn đề này và đảm bảo các thiết bị vận hành theo đúng trình tự, Timer on delay ILEC RT6-S10-U là một giải pháp hiệu quả, giúp kiểm soát thời gian trễ một cách chính xác và linh hoạt.
Timer on delay là gì?
Timer on delay (hay còn gọi là rơ le thời gian trễ khi đóng) là một loại rơ le thời gian (timer relay) được thiết kế để trì hoãn việc kích hoạt tiếp điểm đầu ra sau khi có tín hiệu điều khiển đầu vào. Sau khi hết thời gian trễ, Relay mới đóng tiếp điểm đầu ra, cho phép dòng điện đi qua hoặc kích hoạt thiết bị khác. Độ trễ này giúp tuần tự hóa hành động của các thiết bị, tránh khởi động đồng thời các thiết bị gây quá tải, ngăn chặn các cú sốc hoặc sụt áp hệ thống đột ngột và đảm bảo sự vận hành ổn định cho toàn bộ hệ thống.
Tìm hiểu về iLEC RT6S10-U
RT6-S10-U: Là Rơ le thời gian có thể điều chỉnh được độ trễ với nhiều dải thời gian khác nhau (multi-range) Đặc điểm:- Kết cấu nhỏ gọn, tiết kiệm không gian, kết nối dễ dàng
- Sử dụng nguồn đa dạng: 150-260V AC (A1-A2), 24V AC/DC (A2-A3)
- Khởi động thiết bị hoặc hệ thống sau một khoảng thời gian sau khi cấp nguồn (on-delay)
- Có thể điều chỉnh từng giai đoạn và hiển thị thời gian tối đa
- Dải thời gian cài đặt (t) từ 10 giây đến 100 giờ
- Vận hành ổn định, bền bỉ, độ tin cậy cao
- Lắp đặt: gắn trên thanh ray (DIN rail 35mm)
- Đạt tiêu chuẩn chất lượng
- Thương hiệu iLEC - xuất xứ Việt Nam
- Điện áp: 150-260V AC (24V AC/DC)
- Tần số: 50/60 Hz
- Công suất: < 4VA
- Biên nhiệt: -20ºC ~ 55ºC
- Dải thời gian (t): 10 giây ~ 100 giờ
- Tiếp điểm: 5A 250V AC
- Kích thước: 23 x 95 x 60 (mm)
- Trọng lượng: 120gr.
- Lắp đặt: gắn trên thanh ray (Din rail 35mm)
- Độ cao cho phép: <2000m
Nguyên tắc hoạt động
Multirange on delay timer Relay RT6S10-U hoạt động theo nguyên lý đơn giản và logic, gồm 3 bước sau:
- Bước 1 - Nhận tín hiệu: Khi timer được cấp nguồn ở chân 2 (qua công tắc, cảm biến...), mạch định thời bên trong được kích hoạt.
- Bước 2 - Bắt đầu định thời: Mạch bắt đầu đếm thời gian theo các giá trị đã được cài đặt sẵn (Vd: bước thời gian là A, khoảng chia là 5). Trong suốt quá trình này, ngõ ra vẫn giữ nguyên trạng thái ban đầu (tiếp điểm chưa thay đổi).
- Bước 3 - Kích hoạt đầu ra: Sau khi hết thời gian trễ (5 giây), tiếp điểm đầu ra lập tức thay đổi trạng thái:
* Tiếp điểm thường mở (NO) sẽ đóng lại.
* Tiếp điểm thường đóng (NC) sẽ mở ra.
Tín hiệu đầu ra được duy trì cho đến khi nguồi bị ngắt

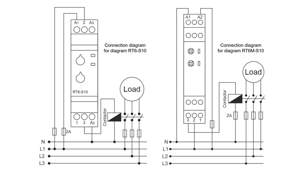
Sơ đồ đấu nối RT6-S10-U

Sơ đồ thời gian RT6-S10-U: Cấp điện → Chờ (Delay) → Tác động
Những ưu điểm nổi bật
Việc ứng dụng một khoảng trễ có kiểm soát mang lại nhiều lợi ích quan trọng cho hệ thống:
- Kiểm Soát Tuần Tự: Giúp các thiết bị, máy móc trong một dây chuyền hoạt động theo đúng trình tự, ngăn ngừa sự cố do các bộ phận kích hoạt sai thời điểm.
- Giúp Hệ Thống Vận Hành Ổn Định: Bằng cách cho các thiết bị công suất lớn khởi động so le thay vì đồng thời, timer on delay giúp hạn chế hiện tượng sụt áp và quá tải tức thời cho nguồn điện.
- Bảo Vệ Thiết Bị: Ngăn chặn hiện tượng khởi động/dừng liên tục trong thời gian ngắn (rapid cycling) — đặc biệt ở các thiết bị như shunt trip trong hệ thống đóng cắt — từ đó nâng cao tuổi thọ và độ bền thiết bị.
- Tăng Cường An Toàn: Cho phép hệ thống có thời gian thực hiện các bước kiểm tra, đọc lỗi cần thiết trước khi một hành động được thực hiện. Đồng thời, giúp lọc bỏ các tín hiệu nhiễu thoáng qua gây báo động giả.
Các ứng dụng thực tế
- Multirange on Delay Timer iLEC RT6-S10-U là thiết bị phù hợp cho các ứng dụng đòi hỏi điều khiển thời gian linh hoạt và chính xác nhờ khả năng tùy chọn nhiều dải thời gian.
- Sử dụng rộng rãi trong nhiều lĩnh vực khác nhau: Dùng cho ngành điện, công nghiệp, điều khiển, tự động hóa, y tế, hệ thống, ...
- Các ứng dụng phổ biến: dây truyền sản xuất tự động, hệ thống HVAC, tủ điều khiển và phân phối, hệ thống báo động và giám sát, trạm bơm và hệ thống xử lý nước.
- Điều khiển trình tự khởi động thiết bị: Trong các dây chuyền tự động, relay giúp đảm bảo các thiết bị khởi động theo đúng trình tự, tránh xung đột hoặc hoạt động sai lệch gây hỏng hóc.
Ví dụ: Khởi động quạt giải nhiệt sau khi động cơ chính đã chạy ổn định 10 giây. - Giảm dòng khởi động & bảo vệ nguồn: Khởi động các tải công suất lớn một cách so le, giảm nguy cơ sụt áp hoặc quá tải tức thời cho hệ thống điện.
- Bảo vệ thiết bị đóng cắt: Giúp hạn chế hiện tượng khởi động/dừng liên tục (rapid cycling), nhất là với các thiết bị như shunt trip, contactor, hoặc máy nén khí.
- Tăng tính linh hoạt khi lắp đặt: Nhờ hỗ trợ nhiều dải thời gian cài đặt (ví dụ: 0.1–1s, 1–10s, 10–100s...), kỹ thuật viên có thể dễ dàng điều chỉnh phù hợp với từng ứng dụng cụ thể mà không cần thay thiết bị.
- Lọc nhiễu tín hiệu đầu vào, trì hoãn tín hiệu đầu ra: để tránh tác động bởi các xung điện ngắn, nhiễu điện từ (EMI), hoặc nhiễu tần số cao, giúp cải thiện độ ổn định và chính xác của hệ thống, đặc biệt hữu ích trong môi trường công nghiệp có nhiều nguồn nhiễu (Nhiễu điện từ, nhiễu do xung, nhiễu tần số cao, nhiễu cơ học và rung động).
Kết luận:
Tóm lại, việc ứng dụng một khoảng trễ có kiểm soát không chỉ là một giải pháp kỹ thuật, mà còn là cách điều khiển vận hành thông minh - giúp bảo vệ thiết bị và đảm bảo hệ thống hoạt động theo đúng trình tự.
Multirange on Delay Timer Relay iLEC RT6-D10-U là thiết bị đáng tin cậy, mang lại sự vận hành ổn định cho hệ thống, hiệu quả và kinh tế